AUDIO TUBES | GERMAN TUBE HIFI | MY EQUIPMENT | CONTACT | ON EBAY

 
Klein + Hummel Telewatt VS55 and VS66
                   
    Klein + Hummel K+H Telewatt K&H VS55 VS 55 tube amp classic Röhrenverstärker  

  Klein + Hummel's origin is the development and manufacturing of very high quality studio equipment. Many parts and units found in the hifi gear are derived from the professional equipment. Many output transformers are of outstanding quality. Later they made a legendary hifi tuner, FM 2002.

 

  The VS55 was the first ECL82 tube amp from K+H to be introduced in 1961 with a gold/black color front with a red Telewatt logo.

 

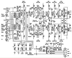
  The circuit is typical for K+H integrated amps: too many switches and controls, fixed grid bias, a trim pot to balance the output tubes, CCIR/RIAA switch a.s.o.

  The slight surface noise, which can be noticed on speakers with higher efficiency, results from the input stage. Every input channel (also the high level inputs) must pass the first tube, although this would only have been necessary for the low level inputs (microphone and phono).

 

  The VS55-60 has not the mechanical quality of the VS71, but some audiophiles prefer these smaller units for their great sound in the high frequency range.

 

  Using good ECL82 tubes the amp sounds very, very nice. The output transformer has only taps for 4 and 16 Ohms - very German!

 

  Carefully check the "WIMA sweets" coupling caps which tend to leak.

 
   

VS55 front view

 
       
    Klein + Hummel K+H Telewatt K&H VS55 VS 55 tube amp classic Röhrenverstärker  
   

VS55 back view

 
       
Klein + Hummel K+H Telewatt K&H VS55 VS 55 tube amp classic Röhrenverstärker  
   

Klein + Hummel K+H Telewatt K&H VS55 VS 55 tube amp classic Röhrenverstärker

  Klein + Hummel K+H Telewatt K&H VS55 VS 55 tube amp classic Röhrenverstärker  
   

VS55 inside view from above

 

VS55 inside view from below        

 
           
    Klein + Hummel K+H Telewatt K&H VS55 VS 55 tube amp classic Röhrenverstärker   Klein + Hummel K+H Telewatt K&H VS55 VS 55 tube amp classic Röhrenverstärker  
           
           
Klein + Hummel K+H Telewatt K&H VS55 VS 55 tube amp classic Röhrenverstärker

Klein + Hummel K+H Telewatt K&H VS55 VS 55 tube amp classic Röhrenverstärker

   

VS55 inside view

 

VS55 circuit diagram             

 
 

 

 
           

BACK

TOP OF THIS PAGE

HOME