AUDIO TUBES | GERMAN TUBE HIFI | MY EQUIPMENT | CONTACT | ON EBAY

 
Telefunken S80 S81 S82
                   
    Telefunken S81 S80 S82 S 80 81 82 tube amp Röhrenverstärker  

   This nice looking amp was originally thought as additional amp for radio consoles when stereo sound came up.

  The amp was designed for 5 Ohms and delivers (using new tubes) 2 watts to 4Ohm and 1.5 watts to 8 Ohm loads.

  As it only had to reproduce higher frequencies, the frequency range was cut in the higher bass range by using very small coupling caps (220pF). At the same time a small cap from the plate of the input triode was used to avoid self excitation, but the result was an unsatisfying high frequency response for HiFi use.

 

  Some later amps (S82) have different speaker jacks (DIN).

  The precurser to the S81 - the S81 - is also found with different output transformers.

  fds

  See below what you should do make a high fidelity amp of this unit.

 
   

 

 
       
     

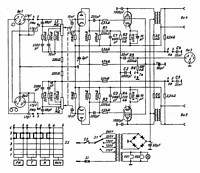
inside view from above

 
 
 

 
 

What you should do for HiFi use:

 

 1. Cut (or unsolder) the caps from the triode's plate (pin#9) to ground to get correct high frequency response. On the picture you see this (rose) cap below the ERO coupling cap. (In some units this cap is soldered to the pentode's plate - pin#6 = 1000pF)

 

2. The filter cap is at least 40 years old and the OPT is not too big. So add an electrolytical cap (of smaller size - the black one in my amp - left top) to get the bass control you can get (if you want more, you'd have to use more feedback, but......).

   

 

             
                   
     

3. Bypass the coupling caps with at least 0.1uF. In the picture it is done with nice old ERO oil paper caps. Left can you see level difference on my Tektronix at 100Hz - above: without bypass and more than 6dB less than bypassed (below).

 
 
Here some pictures from the S82 model:  
 
 

 
 

 

 

 

 

 
           

BACK

TOP OF THIS PAGE

HOME