AUDIO TUBES | GERMAN TUBE HIFI | MY EQUIPMENT | CONTACT | ON EBAY

 
Braun CV11 and CS11
                   
    Tube Classics Röhrenendstufe Röhrenverstärker amp Braun CV11 CV 11  

  This power amp is pretty rare. Thousands of CSV13s and CSV60s have been sold, but this little amp is hard to find.

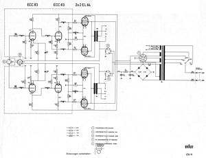
  Anyway its circuit is similar to the power amp section of the CSV13.

 

  The EL84s use fixed bias and (thank god!) are not mounted on the PCB.

 

  The amp is not bad. Maybe the best piece of Audio equipment that appears with Rams / Gugelot design.

 

 

 
   

Inside the Braun CV11

 
       
     
   

 

             
                   
     

  The back side shows a lot of connection facilities. Including the jack for Braun LE1 - the electrostatic speaker they licensed from Quad.

 
   

 

       
             
         
             
             
       

 
             
             
     

  The matching preamp/record player, the CS11, looks quite similar to the CSV13.

  It does not have a power supply and needs to be connected to the CV11 to work. There are several phono equalizations that can be selected with the input switch.

  Unfortunately - due to a constant loudness - this unit never has a linear frequency response. 

 
   

 

   
                   
     

  The CS11, shown with the record player removed.

 
 

 

 

 
           

BACK

TOP OF THIS PAGE

HOME